Tacoma Bid Watch: Fire simulation training, ADA street improvements, and gateway signage
Published 12:36 pm Tuesday, January 6, 2015
The Tacoma Daily Index often publishes the City of Tacoma’s calls for bids asking contractors to meet the City’s needs on a range of supplies, services, and projects. Here is a short-list of some recent and notable calls for bids issued from Tacoma City Hall.
First, the City is accepting bids for a live fire simulation training facility prop to be used by the Tacoma Fire Department, according to a legal notice published last month in the Tacoma Daily Index. Bid documents prepared by City staff show the three-story structure will be used to provide ongoing live-fire training scenarios, as well as search and rescue training, confined space rescue training, and rope rescue training. The prop will be housed at the Tacoma Fire Department training facility, located at 2124 Marshall Ave. Bids will be received until 11 a.m. on Tues., Jan. 20. The project budget is estimated at $450,000. More information is available online here.

Second, the City is accepting bids on a project that would bring ADA improvements to four sites in Tacoma — Peoples Community Center, located at 1602 S. Martin Luther King Jr. Way; Pantages Theater, located at 901 Broadway; Rialto Theater, located at 310 S. 9th St.; and the Swasey Branch of the Tacoma Public Library, located at 7001 6th Ave. Bid documents prepared by City staff show project improvements include pavement, curb, gutter, and sidewalk replacement; new signage; and traffic control. The bid deadline expires at 11 a.m. on Fri., Jan. 23. The project budget is estimated at $100,000. More information is available online here.
- The City of Tacoma is accepting bids on a project that would bring ADA improvements to four sites in Tacoma, including an area near the Rialto Theater in downtown Tacoma. (PHOTO COURTESY CITY OF TACOMA)
- The City of Tacoma is accepting bids on a project that would bring ADA improvements to four sites in Tacoma — Peoples Community Center; Pantages Theater; Rialto Theater; and the Swasey Branch of the Tacoma Public Library.
- The City of Tacoma is accepting bids on a project that would bring ADA improvements to four sites in Tacoma, including an area near the Rialto Theater in downtown Tacoma. (PHOTO COURTESY CITY OF TACOMA)
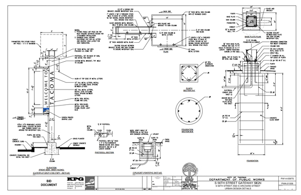
Third, the City has awarded a contract to install a gateway entrance sign near the intersection of South 56th Street and South Orchard Street. According to information available on the City’s Web site, a pre-bid meeting was held at 9 a.m. on Tues., Nov. 13, at Tacoma City Hall. The bid deadline expired at 11 a.m. on Thurs., Nov. 20. The budget was estimated at $45,000 to $55,000. Two contractors submitted bids — T. Miller Construction (Auburn, Wash. — $52,152) and Nordic Construction (Fife, Wash. — $43,360). A contract was awarded to Nordic Construction on Dec. 2. Incidentally, similar signage was installed along Sprague Avenue in 2013 (see “First phase complete on Sprague Avenue enhancement project,” Tacoma Daily Index, March 5, 2013).


Fourth, following up on an item reported in the Tacoma Daily Index last month (see “Tacoma Bid Watch: Gangs, graffiti, and South Tacoma Way / Water Ditch Trail upgrades,” Tacoma Daily Index, Dec. 9, 2014), two contractors have bid on a project to provide street outreach services for the Tacoma Gang Reduction Project, which aims to reduce and prevent gang violence through prevention, intervention, and suppression efforts, according to information available on the City’s Web site. Bid documents prepared by City staff show the City seeks to establish one or more contracts with street outreach workers to provide outreach, mentoring, social and intervention services. The budget is estimated at $200,000. The bid deadline expired at 11 a.m. on Tues., Jan. 6. The following contractors submitted bids — Northwest Leadership Foundation (Tacoma, Wash.) and Building the Bridges Therapy (Lakewood, Wash.).

Finally, following up on an item reported in the Tacoma Daily Index last month (see “Tacoma Bid Watch: Gangs, graffiti, and South Tacoma Way / Water Ditch Trail upgrades,” Tacoma Daily Index, Dec. 9, 2014), three contractors have bid on a project to provide graffiti removal services in key areas of Tacoma. Bid documents prepared by City staff show the City seeks to establish a contract with a company that can provide graffiti response and removal from private property along key corridors that include arterials, commercial districts, and entrances to the City limits within 72 hours. The work is part of Tacoma’s graffiti removal program, which removes graffiti from a private property up to three times during a 12-month period. Upon the second incidence, the contractor works with City staff to provide crime prevention suggestions and graffiti mitigation tools to the property owner. The budget is estimated at $190,000. The bid deadline expired at 11 a.m. on Tues., Jan. 6. The following contractors submitted bids — Goodbye Graffiti (Seattle, Wash.); Go2 Property Services (Tacoma, Wash.); and Portland Graffiti Removal (Portland, Ore.).

To read earlier installments of Tacoma Bid Watch, click on the following links:
- Tacoma Bid Watch: Foss Waterway Esplanade, building demolition, and arts funding (Tacoma Daily Index, Dec. 29, 2014)
- Tacoma Bid Watch: Chinese Reconciliation Park, Sheridan Elementary Safe Route, and sidewalk improvements (Tacoma Daily Index, Dec. 16, 2014)
- Tacoma Bid Watch: Gangs, graffiti, and South Tacoma Way / Water Ditch Trail upgrades (Tacoma Daily Index, Dec. 9, 2014)
- Tacoma Bid Watch: Ammo, rifles, and climate change study (Tacoma Daily Index, Dec. 2, 2014)
